

全国免费客服电话 0516-88930518 邮箱:13952281133@126.com
手机:0516-88930518
电话:0516-88930518
地址:江苏省新沂市新安镇官庄村
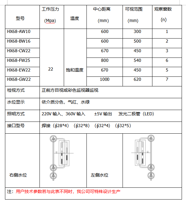
我公司生产的HX68-W系列组合压盖玻璃长窗高压双色水位计市场上通用的高压双色水位计存在一个共同缺点:观察窗外泄较为严重,需要经常更换配件。这不仅增加了检修人员的劳动强度,给生产安全带来隐患,也影响了企业正常生产。在工作压力不算太高的机组使用这种常规高压水位计,观察窗泄露问题将更加突出,已不适应市场需求。
产品详情
我公司生产的HX68-W系列组合压盖玻璃长窗高压双色水位计
市场上通用的高压双色水位计存在一个共同缺点:观察窗外泄较为严重,需要经常更换配件。这不仅增加了检修人员的劳动强度,给生产安全带来隐患,也影响了企业正常生产。在工作压力不算太高的机组使用这种常规高压水位计,观察窗泄露问题将更加突出,已不适应市场需求。
为了解决高压水位计观察窗泄露的难题,我公司近几年走访 了全国许多电厂、石化企业等高压水位计使用单位,广泛征求用户意见,组成科技攻关小组,进行大量研究分析,经过几十次改革试验,最终攻克了观察窗泄漏的技术难关---实现了高压水位计技术上的重大突破。我公司新近研制成功的新型高压双色水位计,采用“组合压盖”技术,密封效果好、彻底解决了高压水位计压盖变形易泄漏的难题,并采用半导体光源,使此种新产品更加完美,投入市场,深受广大用户好评。

相关推荐